Process Electric Heaters
Process Heat & Control Systems | CEM/Bar Tubular Heaters | Pipe Plug Immersion Heaters | Flanged Immersion Heaters | Circulation Heaters | Over-The-Side Immersion Heaters | Boiler & Water Heaters | Pipe Insert Heaters | Quartz Immersion Heaters | Bottom Mount Immersion Heaters | Dishwasher Heaters | Sink Sanitizer Immersion Heaters | Drum Heaters | Process Air Heaters | Enclosure Heaters | Finned Tubular Heaters
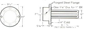
FLANGE IMMERSION HEATERS

 

6" 150 LB ASA FLANGE
Copper Sheath
  • 12 Elements
  • Steel Flange
  • 45 Watts/sq. in.
  • B
    IMM LGTH
    VOLTS
    3 PHASE
    KILO
    WATTS
    CATALOG
    NUMBER
    25 1/8 240

    480
    36

    36
    F06C-251360-2

    F06C-251360-4
    33 240

    480
    48

    48
    F06C-330480-2

    F06C-330480-4
    40 1/2 240

    480
    60

    48
    F06C-405600-2

    F06C-405600-4
    48 240

    480
    72

    72
    F06C-480720-2

    F06C-480720-4
    Steel Sheath
  • 12 Elements
  • Steel Flange
  • 22 Watts/sq. in.
  • 25 1/8 240

    480
    18

    18
    F06O-251180-2

    F06O-251180-2
    33 240

    480
    24

    24
    F06O-330240-2

    F06O-330240-4
    40 1/2 240

    480
    30

    30
    F06O-405300-2

    F06O-405300-4
    48 240

    480
    36

    36
    F06O-480360-2

    F06O-480360-4
    Steel Sheath
  • 12 Elements
  • Steel Flange
  • 12 Watts/sq. in.
  • 25 1/8 240

    480
    18

    18
    F061-251180-2

    F061-251180-2
    33 240

    480
    24

    24
    F061-330240-2

    F061-330240-4
    40 1/2 240

    480
    30

    30
    F061-405300-2

    F061-405300-4
    48 240

    480
    36

    36
    F061-480360-2

    F061-480360-4

    8" 150 LB. ASA Flange
    Copper Sheath
  • 18 Elements
  • Steel Flange
  • 45 Watts/sq. in.
  • B
    IMM LGTH
    VOLTS
    3 PHASE
    KILO
    WATTS
    CATALOG
    NUMBER
    25 5/8 240

    480
    50

    50
    F08C-256500-2

    F08C-256500-4
    36 7/8 240

    480
    75

    75
    F08C-368750-2

    F08C-368750-4
    43 11/16 240

    480
    100

    100
    F08C-4361000-2

    F08C-4361000-4
    51 7/8 240

    480
    120

    120
    F08C-5181200-2

    F08C-5181200-4
    61 3/8 240

    480
    150

    150
    F08C-6131500-2

    F08C-6131500-4
    69 7/8 240

    480
    175

    175
    F08C-69817500-2

    F08C-69817500-4
    78 7/8 240

    480
    200

    200
    F08C-7882000-2

    F08C-7882000-4
    Steel Sheath
  • 18 Elements
  • Steel Flange
  • 22 Watts/sq. in.
  • 32 7/8 240

    480
    30

    30
    F08O-328300-2

    F08O-328300-4
    43 11/16 240

    480
    40

    40
    F08O-436400-2

    F08O-436400-4
    51 7/8 240

    480
    50

    50
    F08O-518500-2

    F08O-518500-4
    61 3/8 240

    480
    60

    60
    F08O-613600-2

    F08O-613600-4
    69 7/8 240

    480
    70

    70
    F08O-698700-2

    F08O-698700-4
    78 7/8 240

    480
    80

    80
    F08O-788800-2

    F08O-788800-4
    Incoloy Sheath
  • 18 Elements
  • Steel Flange
  • 22 Watts/sq. in.
  • 32 7/8 240

    480
    30

    30
    F081-328300-2

    F081-328300-4
    43 11/16 240

    480
    40

    40
    F081-436400-2

    F081-436400-4
    51 7/8 240

    480
    50

    50
    F081-518500-2

    F081-518500-4
    10" 150 LB ASA FLANGE
    Copper Sheath
  • 27 Elements
  • Steel Flange
  • 45 Watts/sq. in.
  • B
    IMM LGTH
    VOLTS KILO
    WATTS
    CATALOG
    NUMBER
    32 240

    480
    100

    100
    F10C-3201000-2

    F10C-3201000-4
    43 11/16 240

    480
    145

    145
    F10C-4361450-2

    F10C-4361450-4
    51 7/8 240

    480
    175

    175
    F10C-5181750-2

    F10C-5181750-4
    61 3/8 240

    480
    210

    210
    F10C-6132100-2

    F10C-6132100-4
    69 7/8 240

    480
    240

    240
    F10C-6982400-2

    F10C-6982400-4
    78 7/8 240

    480
    280

    280
    F10C-7882800-2

    F10C-7882800-4
    Steel Sheath
  • 27 Elements
  • Steel Flange
  • 22 Watts/sq. in.
  • 32 240
    480
    50
    50
    F10O-320500-2
    F10O-320500-4
    43 11/16 240
    480
    70
    70
    F10O-436700-2
    F10O-436700-4
    51 7/8 240
    480
    85
    85
    F10O-518850-2
    F10O-518850-4
    61 3/4 240
    480
    105
    105
    F10O-6131050-2
    F10O-6131050-4
    69 7/8 240
    480
    120
    120
    F10O-6981200-2
    F10O-6981200-4
    78 7/8 240
    480
    135
    135
    F10O-7881350-2
    F10O-7881350-4
    Steel Sheath
  • 27 Elements
  • Steel Flange
  • 11 Watts/sq. in.
  • 32 240
    480
    25
    25
    F10O-320250-2
    F10O-320250-4
    43 11/16 240
    480
    35
    35
    F10O-436350-2
    F10O-436350-4
    51 7/8 240
    480
    45
    45
    F10O-518450-2
    F10O-518450-4
    61 3/4 240
    480
    50
    50
    F10O-618500-2
    F10O-618500-4
    69 7/8 240
    480
    60
    60
    F10O-698600-2
    F10O-698600-4
    78 7/8 240
    480
    70
    70
    F10O-788700-2
    F10O-788700-4
    Incoloy Sheath
  • 27 Elements
  • Steel Flange
  • 22 Watts/sq. in.
  • 32 240
    480
    50
    50
    F101-320500-2
    F101-320500-4
    43 11/16 240
    480
    70
    70
    F101-436700-2
    F101-436700-4
    51 7/8 240
    480
    85
    85
    F101-518850-2
    F101-518850-4
    61 3/4 240
    480
    105
    105
    F101-6131050-2
    F101-6131050-4
    69 7/8 240
    480
    120
    120
    F101-6981200-2
    F101-6981200-4
    78 7/8 240
    480
    135
    135
    F101-7881350-2
    F101-7881350-4

     

    1" & 1 ½" Conduit Outlets